1mb Memory Mapper

This circuit provides up to 1mb of ram on a processor that normally supports up to 64k. When used with Elf computers, the port extender must be used to provide the necessary signalling for this circuit.

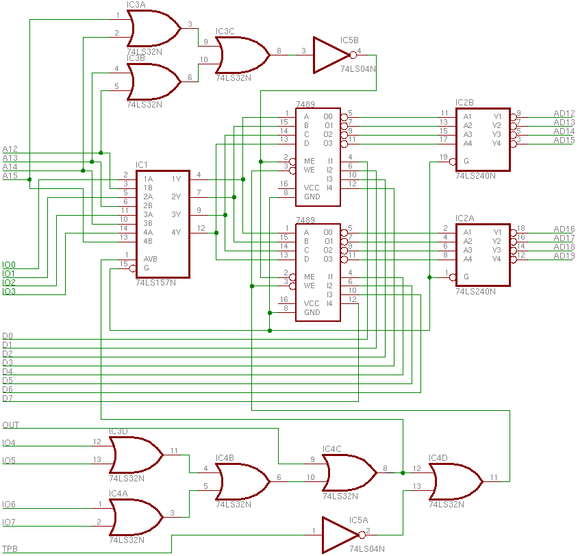
This circuit works on the principal of utilizing the top 4 address lines to address an 8-bit memory to provide an additional 4 bits of address space, for a total of 20 address lines instead of the standard 16. Memory is broken up into segments of 4k each. The memory can store the base position for up to 15 blocks. The bottom block (addr 0) is undecoded so that a reset of the processor will always provide the orignal bottom 4k of memory.

Theory of Operation

Ic1 provides the switching mechanism to select whether the top 4 address lines from the processor or the bottom 4 lines of the i/o address bus are used to select from the 7489 memories. In the normal mode ic1 will transfer the cpu address lines through to the memories.

The 7489 memory inverts its output from whatever was input, therefore ic2a and ic2b are used to invert the recalled addresses before sending the sginals on to main memory.

Ic3a, 3b, 3c are used to look for the low block of memory. If any of the top 4 address lines is high, then we want to use memory translation. The output of the or gates is then fed into the inverter ic5b in order to provide the correct signalling for the block memories. When ME is low on the block memories, address translation will occur. When ME is high (all top 4 address lines are low) then the block memories will output highs, which are then inverted to lows using ic2a and b. Therefore, if all the top 4 address lines are zero, it does not matter what is in the block memories, A12-A19 will be low.

The port decoding circuitry is triggered when the top 4 lines of the i/o bus are low, therefore ports 0-15 can be used to write the memory cells of the block memory. Ic3d, 4a, and 4b are used to decode the top 4 address lines. All 4 lines must be low for these 3 gates to output a low. This is then fed into ic4c which ors the value with the OUT signal. At this stage OUT must be low and all 4 io lines must be low. The output of ic4c is then fed into the multiplexer ic1 in order to select the 4 low io lines to address the block memory. This signal is also sent to ic4d along with the inverted value of TPB. When the timing pulse from the processor occurs the WE of the memories will be brought low so that the data from D0-D7 can be stored into the block memory.

Note:Becasuse during the writing of the block memory, the top 4 address lines will not be valid memory addresses, code to write the block memory must be in the low 4k of ram.